Summer Sale
Multisport GPS Watch
Suunto Spartan Sport Wrist

up to 30% off



0
В наличии

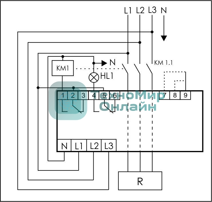
Ограничитель мощности ОМ-630 3ф 5-50кВт многофункц. подключение приоритетной и неприоритетной нагрузок F&F EA03.001.007

  • Цена:
    9 780р.
Стоимость актуальна при наличном расчете
  • Просмотренные товары:
Характеристики
Тип ограничитель